Apple IIe Revival: A Nostalgic Expansion Card with Classic Components
Recreating an expansion card for the Apple IIe brings nostalgia to life by integrating classic and versatile components. By blending vintage hardware with modern design, it’s a tribute to the enduring legacy of the Apple IIe.
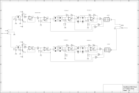
This card design features
- an address-decoding GAL22V10,
- a PIA 8255 for I/O operations,
- a UART 6551 for serial communication and his USB serial bridge
- an I2C controller PCF8584,
- and a 2x16 LCD for display.
There is also 2 test leds directly connected to the address-decoding
https://github.com/f4goh/Apple-IIe/tree/main/pia-acia-i2c-lcd-led
- an address-decoding GAL22V10,
- a PIA 8255 for I/O operations,
- a UART 6551 for serial communication and his USB serial bridge
- an I2C controller PCF8584,
- and a 2x16 LCD for display.
There is also 2 test leds directly connected to the address-decoding
https://github.com/f4goh/Apple-IIe/tree/main/pia-acia-i2c-lcd-led
Turn on the two LEDs alternately
10 POKE 49404,1
20 GOSUB 100
30 POKE 49404,2
40 GOSUB 100
50 GOTO 10
100 D = 200
110 FOR N = 1 TO D
120 NEXT N
130 RETURN
10 POKE 49404,1
20 GOSUB 100
30 POKE 49404,2
40 GOSUB 100
50 GOTO 10
100 D = 200
110 FOR N = 1 TO D
120 NEXT N
130 RETURN

Discussione (2 nota(e))