5917

A simple circuit that avoids unwanted noise when turning the amplifier on and off, without microcontrollers and self-powered.

If you have experience with single-supply audio power amplifier circuits, you are probably familiar with the unpleasant and worrying noises emitted by the loudspeaker when the device is turned on and off. This behaviour is caused by the presence of the output electrolytic capacitor (in series with the loudspeaker), which, in the case of amplifiers capable of reproducing very low frequencies, can have a capacity of thousands of µF. 

At power-on, this capacitor typically charges to half the supply voltage value. This charging current flows through the voice coil of the speaker, producing a sharp and noisy displacement of the cone. At power-off, the capacitor discharges, and the current and voltage transients again result in unwanted noise. While damage is rare, it is preferable to avoid subjecting the acoustic transducer to these stresses. 

The most effective remedy consists of delaying the electrical connection of the speaker to the amplifier output for a few seconds during power-on, giving the circuit time to stabilize. Conversely, when the power supply is interrupted, the transducer should be disconnected as quickly as possible before any transients occur. 

Many circuits claimed to be suitable for this purpose can be found online. However, some require power to be derived from the amplifier itself, others do not provide a correct charging path for the output capacitor, others do not disconnect the speaker fast enough, and many are unnecessarily complex. 

I have therefore designed a simple circuit tailored to my needs, built with components already available at home. With minimal modifications, it can also be used for headphone amplifiers or as a muting circuit for various audio sources.

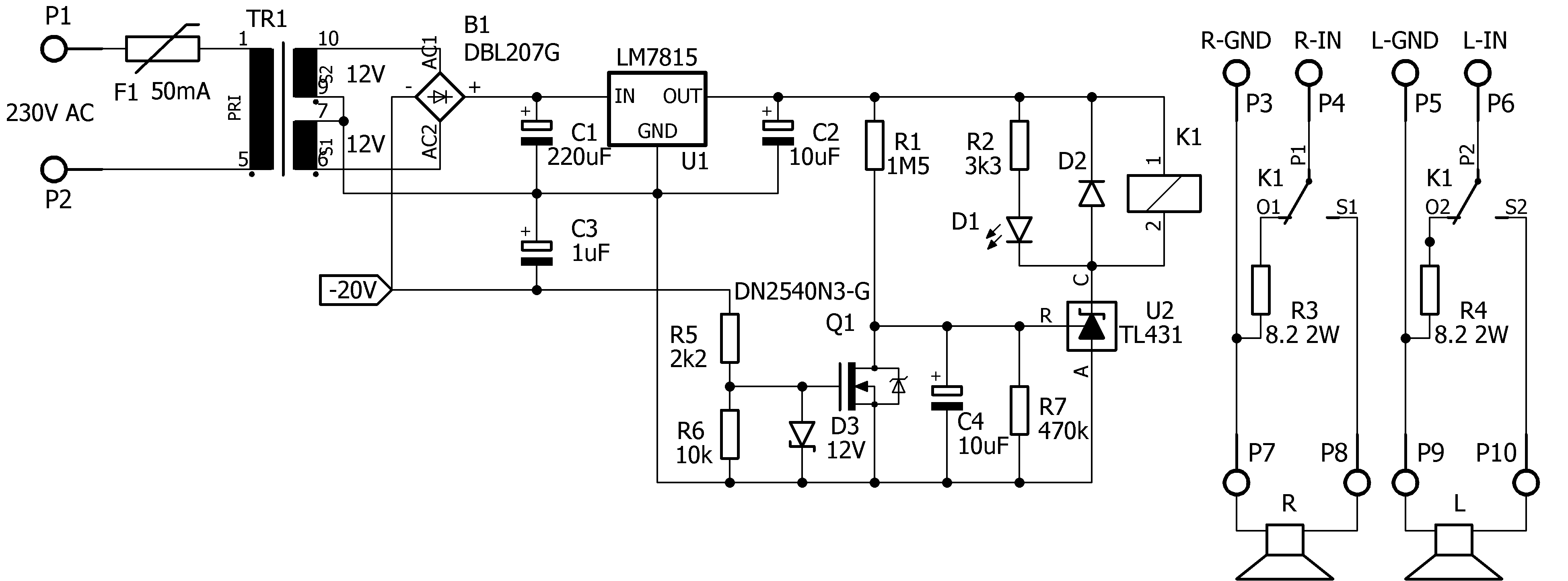
The Circuit

As can be seen in the diagram in Figure 1, the circuit is built around U2, a TL431 programmable shunt regulator, which directly drives the relay responsible for connecting and disconnecting the right and left speakers of a stereo amplifier. The TL431 is very common in power supply circuits, where it is often used as a voltage reference. In this project, however, it acts as a timer (as documented in the datasheet), with a minimum of external components.

The 230V power supply must be the same as that used by the amplifier, therefore derived after the amplifier's switch, if any, so that the circuit can react appropriately to the presence and absence of mains voltage.

The use of a classic double secondary transformer instead of a more modern switching module makes it possible to implement a simple but effective AC loss detector and to obtain a stabilised voltage of 15 V DC via the U1 regulator to power the circuit.

01-20260210183813.png
                                                                 Figure 1: The schematic diagram

Figure 2, taken from the Texas Instruments datasheet [1], shows the implementation of a simple timer with TL431. The strictly necessary components are a resistor and a capacitor (R and C). In this case, the regulator acts as a comparator. When the switch is turned on, capacitor C charges through resistor R. When the voltage at the reference terminal exceeds 2.5V (the default threshold for the TL431), a maximum current of 100 mA can flow from the cathode to the anode, i.e. to GND. In the project under consideration, this current activates relay K1. D2 is the classic diode for protection against overvoltages generated by the coil, while D1, with the limiting resistor R2, signals the status of the circuit. The activation delay is determined by the values of R and C and can be calculated, with some adjustments for the specific case, using the formula given in the datasheet.
02.png
                                                Figure 2: TL431 as a timer, from the datasheet

In the circuit in Figure 1, we ignore Q1 for the moment and consider C = C4 and R = R1. However, R7 forms a voltage divider with R1, so the maximum voltage on the regulator's reference terminal cannot be greater than
f1-20260210185342.png

To calculate the time constant, resistor R is equivalent to the parallel of R1 and R7
f2-20260210185353.png

The time constant is given by R x C
f3.png

It is now possible to calculate the time required to reach the threshold voltage of the TL431, i.e. 2.5V, using the formula indicated in the datasheet, which becomes
f4.png
The actual time measured on the prototype, probably due to the tolerance of C4, is approximately 5 seconds.

In the example in Figure 2, the Off-On switch performs the fundamental task of keeping C discharged and the reference terminal of the TL431 at zero potential when in the Off position, while in the On position, it allows C to charge and activate the load after the set time. In the diagram in Figure 1, the function of the switch is performed by Q1, a depletion-mode N-channel MOSFET (note the symbol) DN2540N3-G. This type is little known and used [3], compared to the more common enhancement type. An N-channel depletion MOSFET has a very low resistance (25 Ω for the one used, according to the datasheet [2]) between drain and source when the gate terminal is at zero potential. If a negative voltage (typically -10V) is applied to the gate, the drain-source resistance reaches a high value, comparable to an open circuit. In the application we are considering, Q1 can be regarded as a normally closed switch, controlled by a negative voltage.
 
In our case, the polarization voltage for the MOSFET is obtained from the negative branch of the B1 bridge rectifier, levelled by C3 and applied, via the divider formed by R5 and R6, to the gate of the device. The 12V Zener diode D3 limits any overvoltages.
 
At this point, the operation of the circuit should be clear. With the circuit disconnected from the mains, Q1 is "closed", C4 is discharged, relay K1 is deactivated and the amplifier outputs are connected to GND via load resistors R3 and R4.  
When mains voltage is applied, Q1 'opens' (negatively polarized gate) and C4 can charge, causing the relay to activate after the preset time and thus connecting the speakers to the amplifier output. In the meantime, the amplifier's output capacitors have had time to charge via R3 and R4, and no noise will be reproduced.
 
When the mains is disconnected, the voltage on the secondary of the transformer will almost instantly drop to zero, allowing C3 (deliberately small) to discharge quickly via R5 and R6 and the MOSFET gate to return to zero potential due to R6.
As a result, Q1 'closes', discharging C4 and bringing the voltage on the reference terminal of the TL431 to zero, ultimately causing the relay to deactivate, which, as desired, quickly disconnects the speakers, avoiding unwanted noise.
 
To better quantify the disconnection time, I tried to capture the signals involved using an oscilloscope, with the results shown in Figure 3.

03d.png

                                            Figure 3: Mains sine wave and relay disconnection

The green trace (CH1) represents the 50 Hz mains sine wave present on the secondary side of the transformer, while the yellow trace (CH2) represents the voltage across a 1000 Ω resistor, powered at 5V via a relay contact.
The time between the disconnection of the mains (flat green trace) and the opening of the relay contacts (yellow trace at zero) is approximately 30 ms, which is more than adequate to achieve the desired result.

Prototype Construction

As usual, I built the prototype on a perfboard. Figure 4 shows the component side of the board. I wanted to fit the circuit into the dimensions of a standard board, but spacing the components further apart certainly makes construction easier.

04-20260210190633.png
                                                     Figure 4: The prototype, component side

The components used are all through-hole and commonly available. The relay used in the prototype is a standard PCB component with a nominal 13V coil and 280 Ohm resistance, two changeover contacts (DPDT) with a switching capacity of 5A at 250V AC. Considering that the TL431 in conduction causes a characteristic voltage drop of 2V between the anode and cathode and the general power supply is 15V, the nominal voltage of the coil is adequate and the current consumption remains below 50 mA. 
 
Any relay with a 12V nominal coil and similar resistance will still work correctly. The breaking capacity should also be sufficient, as the design is intended for amplifiers with a single power supply and output capacitor, which generally have maximum power ratings in the order of a few tens of watts. 
 
If the circuit is used with headphone amplifiers or as muting for line-level audio sources, a miniaturized relay, perhaps specifically for audio signals, may be preferable.
 
In this design, a small part of the circuit is subject to 230V mains voltage, which can be lethal.
At the risk of sounding trivial, I cannot avoid recommending the utmost care when handling the board, paying particular attention to its insulation in an actual situation of use. Figure 5 shows the prototype solder side. The critical area, indicated by the hazard symbol, is the one that includes the terminals of the transformer's primary winding, the resettable polymer fuse (Poly-Fuse or PPTC) and the screw connector for the mains cable. To improve insulation, I removed the unused copper pads from this area.
05-20260210190831.png
                                                           Figure 5: The prototype, solder side

Figure 6 shows a detail of the transformer used, which I already had available. It is not a critical component and, without going into the analysis of the no-load and load behaviour of transformers, a few VA component is sufficient for correct operation, ensuring, with the relay activated, a voltage of at least 18V on the input terminal of the LM7815 regulator and -10V on the MOSFET gate.
06a-20260210191200.png
                                                               Figure 6: Detail of the transformer

Components List

Resistors
R1 = 1.5MΩ (all 1/4W 1% but R3, R4)
R2 = 3.3kΩ
R3, R4 = 8.2Ω 2W 5%
R5 = 2.2kΩ
R6 = 10kΩ
R7 = 470kΩ   

Capacitors
C1= 220µF 50V electrolytic
C2, C4 = 10µF 25V electrolytic
C3 = 1µF 50V electrolyti

Semiconductors
U1 = LM7815  TO220
U2 = TL431  TO92
Q1= DN2540N3-G MOSFET TO92
D1= LED 3mm red 
D2 = 1N4004 diode
D3 = Zener diode 12V 1/4W 
B1 = Rectifier bridge DBL207G 

Miscellaneous
F1 =  PPTC Fuse 50mA
K1 = Relay 12V 5A 250V AC DPDT  (see text)
TR1 = Transformer 2 x 12V 2,3VA 230V  (see text)


Conclusions And Recommendations
 
As stated, the project is designed for single-supply amplifiers with an output capacitor in series with the speaker or for other low-level audio sources that do not present DC (direct current) components at the output. Any such components would in fact be short-circuited to GND through R3 and R4 with unpredictable outcomes.

In my opinion, it is also not advisable to use it with dual-supply power amplifiers, whose output, under normal conditions, is at zero potential with respect to the power lines. In the event of a fault, the delay circuit would not prevent more or less high currents from flowing through the loudspeakers. In this case, specific circuits that are more sophisticated and sensitive to the presence of direct current, such as those found in almost all good quality commercial amplifiers, are needed for effective protection. 
 
When used within its limits, however, this simple circuit has proven to be perfectly capable of performing the required task.
  
References And Useful WEB Links